Twitter
Facebook
Linkedin
Youtube
Cookies - RGPD
Ethique
contact
FR
EN
Retour en homepage
Qui sommes-nous ?
A propos
Groupe MANKA
Presse
Documents
Où nous trouver ?
Nos métiers
Nos réalisations
Actualités
Nous rejoindre
Arrivée alimentation usine
Accueil
Nos réalisations
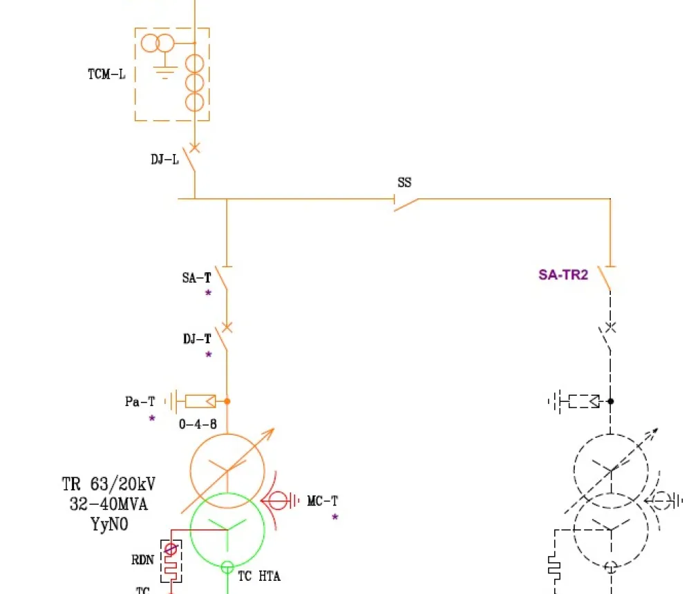
Arrivée alimentation usine
Construction d’un nouveau poste HTB permettant de fournir à l’usine une puissance de 40 MVA par 2 travées transformateurs redondantes
Contenu du projet :
Génie civil
Partie HTB
Partie HTA
Intégration au réseau usine
Date de réalisation
juin 2016
Twitter
Facebook
Linkedin
Youtube
Nos dernières réalisations
Papier
Travaux électriques d’alimentation d'équipements de production et de sécurité incendie
Maubeuge (59)
Agroalimentaire
Nouvelle unité de déshydratation
Sainte-Emilie (80)
Valorisation énergétique
Mise en place et programmation d’une nouvelle installation WinCC PRO
Reims (51)
Nous recherchons nos futurs talents !
Carrière
Découvrez nos offres d'emplois
Search Keywords
Close